SHANGHAI IT-ROLL BEARING CO.,LTD 上海睿旋轴承有限公司
  • 首页
  • 关于我们
  • 产品
    • 深沟球轴承
      • 单列深沟球轴承
      • 微型深沟球轴承
      • 16系列英制深沟球轴承
      • R系列英制深沟球轴承
    • 角接触轴承
      • 单列角接触轴承
      • 双列角接触轴承
    • 调心球轴承
    • 推力球轴承
    • 圆锥滚子轴承
    • 球面滚子轴承
      • 单列球面滚子轴承
      • 双列球面滚子轴承
      • 双列密封球面滚子轴承
    • 圆柱滚子轴承
    • 关节球轴承
      • 杆端关节球轴承
        • SI…E/ES
        • SI…C/SI…ET-2RS
        • SI…TK
        • SA…E/ES
        • SA…C/SA…ET-2RS
        • SA…TK
        • PHSB
        • PHS
        • POSB
        • POS
        • CM/CM…T
        • CF/CF…T
      • 自润滑关节球轴承
        • GEP…XT-2RS
        • GE…C/GEG…C
        • GE…ET-2RS
        • GE…E/ES/ES-2RS
        • GEBK…S
        • GEEM…ES-2RS
        • GEEW…ES
        • GEFZ…C
        • GEFZ…S
        • GEC…HT-2RS
        • GEC…XS
        • GEC…XT-2RS
        • GEG…E/ES/ES-2RS
        • GEG…ET-2RS
        • GEZ…ES/ES-2RS
        • GEZ…ET-2RS
        • GAC…T
        • GAC…S
        • GE…AW
        • GE…AX
        • GEBJ…C(GE…PW)
      • 焊接型/带锁口关节球轴承
        • GF…DO
        • GF…LO
        • GIHN-K…LO
        • GIHO-K…DO
        • GIHR…DO/GIHR-K…DO
        • GK…DO
  • 公司动态
  • 联系我们
  • 中文
    • 中文 中文
    • English English
  • ×

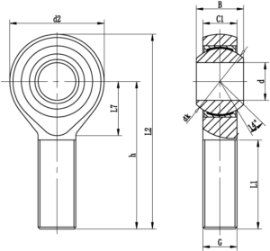
SA..C_syt

关于我们
上海睿旋轴承有限公司

核心价值:产品研发、质量控制于一体,并集结完善的供应商管理体系。
联系方式

电话: 021-52230809/021-34701885
传真: 021-34701886
地址: 上海市闵行区莲花南路2185号 201108
E-mail: Info@it-roll.com

IT-ROLL | Copyright ©2018 it-roll bearing CO.,Ltd. All rights reserved.